Los transmisores de presión diferencial capacitivos son dispositivos esenciales en la instrumentación industrial moderna y la automatización de procesos . Utilizan tecnología avanzada de detección capacitiva para medir la presión diferencial, manométrica y absoluta con alta precisión y estabilidad a largo plazo. A diferencia de los sensores de presión mecánicos tradicionales, estos transmisores no tienen mecanismos de transmisión mecánicos móviles , lo que los hace compactos, duraderos y altamente resistentes a las vibraciones. Los ajustes independientes de cero y span garantizan la precisión sin interferencias mutuas, lo que contribuye a su uso generalizado en diversas industrias.

En China, muchas ciudades han implementado líneas de producción de la empresa estadounidense Rosemount , que produce diversos modelos para la medición de presión diferencial , presión manométrica y presión absoluta . Algunas unidades también incluyen extracción de raíz cuadrada para la medición de caudal , junto con versiones diseñadas para aplicaciones de alta presión estática y micropresión diferencial .
Un transmisor de presión diferencial capacitivo generalmente consta de dos unidades principales: una sección de medición y una sección de conversión/amplificación , como se muestra en la Figura 1 .

Figura 1: Diagrama del circuito del transmisor de presión diferencial capacitivo
1—Oscilador 2—Sensor capacitivo 3—Demodulador 4—Ajuste de rango 5—Limitador de corriente
6—Amplificador de potencia 7—Amplificador operacional 8—Ajuste de cero y migración de cero
9—Amplificador de control de oscilación 10—Fuente de voltaje de referencia 11—Regulador de voltaje 12—Protección contra inversión de polaridad
El sensor capacitivo convierte la presión diferencial medida (ΔP) en un cambio de capacitancia. Los condensadores diferenciales de alta y baja tensión, C H y C L , se excitan mediante un oscilador de alta frecuencia . Las variaciones de corriente resultantes se demodulan para producir señales diferenciales ( i L − i H ) y señales de modo común ( i L + i H ).
La señal diferencial se compara con la señal de retroalimentación ( If ), se amplifica y se convierte en una salida de CC de 4-20 mA . Esta corriente de salida fluye a través de la resistencia de carga y la red de retroalimentación, manteniendo una relación lineal entre la señal diferencial y la corriente de salida.
El sensor capacitivo consta de una placa de electrodos fija y un diafragma de medición móvil, que forman dos condensadores ( C H y C L ) conectados a las cámaras de alta y baja presión. Al aplicar presión diferencial, el diafragma se desvía, modificando las capacitancias. El oscilador de alta frecuencia (normalmente de 32 kHz) convierte estos cambios de capacitancia en variaciones de corriente, que se amplifican y rectifican para generar una señal de CC de 4-20 mA proporcional a la presión diferencial aplicada ΔP.
Cuando el transmisor se utiliza para medir caudal , como con placas de orificio, tubos Venturi o boquillas , la señal se transmite a través de un extractor de raíz cuadrada para obtener una relación lineal con el caudal. El dispositivo funciona con un sistema de dos hilos de 24 V CC , compatible con tensiones de alimentación de 12 a 45 V CC y resistencias de carga de hasta 600 Ω .
El sensor de presión diferencial capacitivo de dos cámaras se muestra en la Figura 2 .

Figura 2: Estructura de dos cámaras del sensor de presión diferencial capacitivo
1, 4—Diafragma de aislamiento con patrón de ondas; 2, 3—Base de acero inoxidable; 5—Capa de vidrio; 6—Película metálica; 7—Diafragma de medición
En esta estructura, las películas metálicas (6) actúan como electrodos fijos, mientras que el diafragma de medición (7) actúa como electrodo móvil. Ambos lados del diafragma forman dos cámaras separadas llenas de aceite de silicona . El fluido incompresible transmite la presión diferencial Δp = p_H − p_L a las superficies del diafragma.
Cuando Δp = 0, las capacitancias en ambos lados ( C H y C L ) son iguales. Cuando Δp ≠ 0, el diafragma se desvía hacia el lado de baja presión, lo que hace que C L > C H .
El uso de capacitancia diferencial reduce los errores causados por las variaciones de temperatura en la constante dieléctrica, mejorando así la sensibilidad, la precisión y la linealidad , factores importantes en el control de procesos industriales y la medición de presión .
Cuando Δp ≠ 0, la variación de capacitancia se ilustra en la Figura 3 .

Figura 3: Cambios de capacitancia en ambos lados cuando existe presión diferencial
Ecuaciones: 

Para un diafragma con tensión inicial, la deflexión es proporcional a la presión diferencial: 
Aquí, K₁ es una constante estructural que depende de la curvatura del diafragma, la separación entre electrodos y la tensión mecánica. Esta relación garantiza que la corriente de salida sea directamente proporcional a la presión diferencial aplicada, lo que proporciona una excelente precisión de medición.
El sensor de presión capacitivo convierte la presión diferencial en una variación proporcional de la capacitancia. Medir esta capacitancia requiere una excitación de CA de alta frecuencia , generalmente alrededor de 32 kHz .

Figura 4: Circuito oscilador Figura 5: Fuente de alimentación del oscilador
Circuito oscilador (Figura 4)
El circuito consta de devanados (terminales 6, 8, 5 y 7) y un condensador C₂₀ que forman un bucle resonante conectado a un transistor VT₁. La resistencia de polarización R₂₉ define el punto de funcionamiento estático. La frecuencia está determinada por la inductancia L y la capacitancia C.
Fuente de alimentación del oscilador (Figura 5)
Dado que la medición de capacitancia depende del voltaje de CA, el voltaje del oscilador debe permanecer estable . Un bucle de control de retroalimentación negativa estabiliza automáticamente el voltaje, garantizando al mismo tiempo una amplitud de arranque suficiente.

Como se muestra en la Figura 6 , el circuito de generación de corriente capacitiva y la red de formación de voltaje mantienen una excitación constante.

Figura 6: Circuito de generación de corriente capacitiva y circuito de formación de voltaje U₂
Cuando Δp ≠ 0, C_H disminuye y C_L aumenta, y la corriente total a través de ambos se expresa como:

La retroalimentación automática garantiza que I L + I H = K₂ (una constante), manteniendo la estabilidad del voltaje y una sensibilidad constante.
En el circuito de generación de corriente capacitiva: ![]()
![]()
![]()
Sustituyendo relaciones anteriores: 
Corriente de salida total: ![]()
Por tanto, la señal de salida de 4-20 mA del transmisor de presión diferencial capacitivo es directamente proporcional a la presión diferencial aplicada.
El dispositivo también proporciona ajuste a cero , calibración de rango y protección contra polaridad inversa , lo que garantiza un funcionamiento estable y seguro en sistemas de medición de presión industriales .
Los transmisores de presión de la serie SH producidos por silverinstrumens.com son transmisores de presión de 4-20 mA de dos cables ampliamente utilizados, diseñados para entornos intrínsecamente seguros y a prueba de explosiones .
Especificaciones clave

Figura 7: Relación entre el voltaje de la fuente de alimentación y la resistencia de carga
Cuando la tensión de alimentación fluctúa en ±1 V, la variación de la corriente de salida permanece por debajo del 0,005 %, lo que garantiza la estabilidad de la señal y una alta precisión .
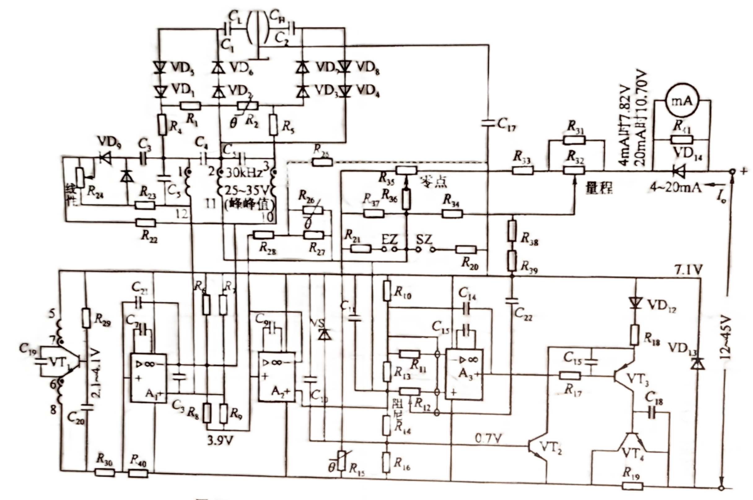
El circuito general del transmisor de presión diferencial SHGP/SHDP se muestra en la Figura 8

Figura 8: Diseño del circuito del transmisor de presión capacitivo/DP del modelo serie SH
Componentes y funciones clave:
Estos elementos garantizan un rendimiento preciso y estable en diversas condiciones industriales, lo que convierte a la Serie SHGP/SHDP en uno de los transmisores de presión diferencial capacitivos más confiables para el control de procesos e instrumentación en todo el mundo.
Transmisores de baja presión
2025/10/12
Transmisor de baja presión: 16-60 mbar. Alta precisión: ±0,1~0,5% Protocolo Hart, salida 4-20 mA. Pantalla digital mbar,psi,pa.
VIEW
Sensor de presión cerámico
2025/10/12
Sensor de presión capacitivo cerámico. Sensor resistente a la abrasión y al ras. Salida del sensor de presión 4-20 mA. Para la industria de pulpa y papel.
VIEW
Sensor de presión capacitivo 3351
2025/10/12
Sensor de presión capacitivo o sensor de presión diferencial 3351; Precisión: ± 0,1%; 0-40 MPa;
VIEW
Transmisor de presión serie SH 308
2025/10/12
El costo de la presión piezoresistiva es bajo; Transductor de alta presión máx. 10000 PSI; Aprobado por ATEX
VIEW
Transmisor de presión con sellos de diafragma remotos
2025/10/12
Diafragma remoto para fluidos corrosivos o viscosos. Transmisores DP o Transmisores de Presión. 316L,HC, Bronceado, Diafragma Monel.
VIEW
Transmisor de presión y DP con diafragma de brida
2025/10/12
Transmisor de diafragma de brida. Para presión, nivel o DP; Transmisores digitales con pantalla LCD; HART, 4-20 mA o MOUBUS;
VIEW